【水泵控制柜控制類型功能及特點說明]
要用于有水箱的場合。 L型:液位控制。采用出廠時附帶的高性能Key浮環開關,可實現按液位高低的變化自動控制給水、排水。主2泵。本箱也同時適用于按鈕遙控方式。
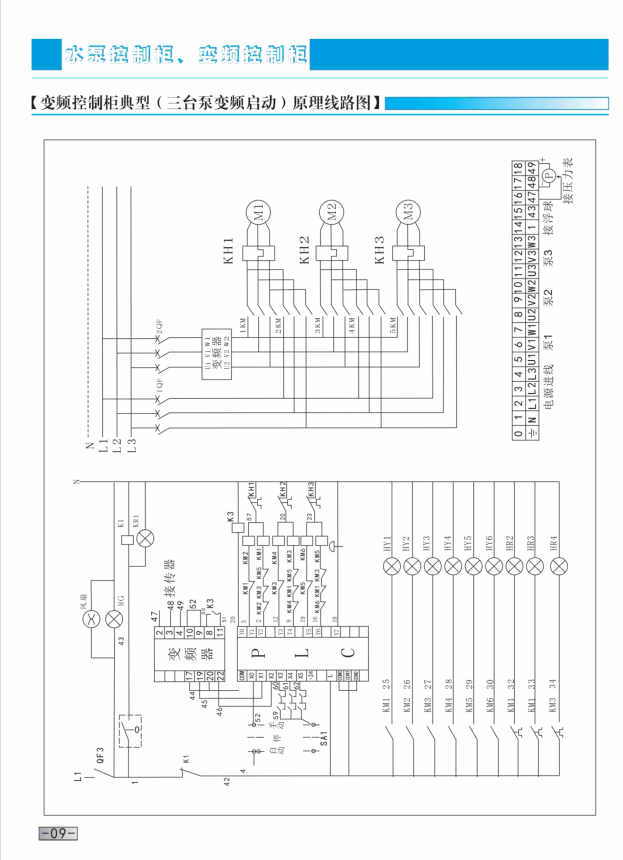
主要用于生活給水及消防穩壓系統。 P型:壓力控制。以外接電接點壓力表或壓力開關等作傳感信號,可根據檢查到的管網壓力變化自動開泵、停短 T型:溫度控制。
以溫度傳感器等作檢測元件,配用溫度控制器,根據設定的溫度范圍開泵、關泵。主要用于恒溫、熱交換系統等。
S型:時間控制。本型采用微機時鐘控制器,用戶可根據定時需要控制水泵的開啟和關閉。主要用于各種有規律的問歇式供水場合。
C型:空用控制。本型是專為空調水泵設計的配套產品,水泵開啟由控制中心操作,實現空調水泵于空調機組的聯動,水泵運行時輸出一
個供制冷機組開機的控制接點,實現必須先開水泵后開機組的控制程序, 注意 安全
確??照{系統安全運行。
X型:消防專用控制。本型按國家消防規范設計。消防、噴淋泵的啟動可由①機箱面板手動,②消火栓按鈕啟動,③壓力開關啟動,④消防中心D C24V啟動。
并有輸給消防中心的各泵開停狀態問答信號。如用戶需要雙電源自動切換裝置和消防泵定期巡檢功能,請在訂貨時寫明。
w型:潛污泵專用控制。本型是根據潛水泵的特殊工況設計的。采用浮球開關或電 極等來實現高液位開泵,低液位停泵。并具有泵體泄漏保護和泵電機定子繞組過熱保護。









客服1